联系我们
故障排除
液压备件
高压叶片泵
高压齿轮泵
产品展示
公司概况
首页
当前位置:
首页
>
产品展示
>
叶片泵
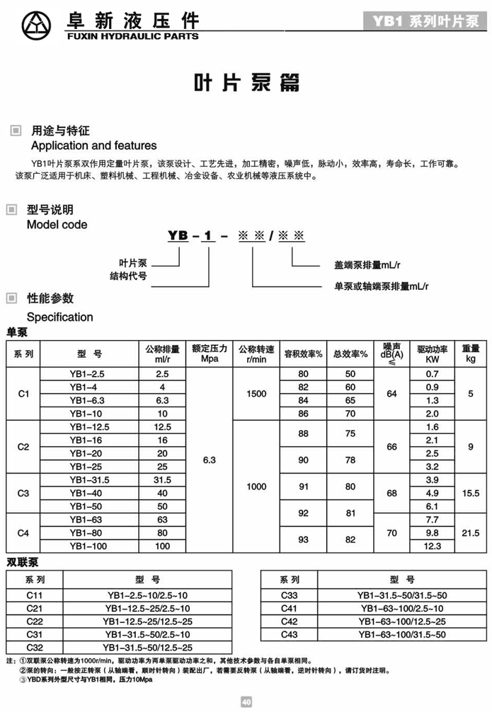
YB-1叶片泵
名称:
YB-1叶片泵
型号:
YB-1叶片泵
特点:
噪声低 体积小 安装方便
用途:
机床 塑料机械 工程机械 矿山机械 农业机械
电话:
139-4180-9282
日期:2022-02-03 点击:1231
上一信息:
YB-1双联叶片泵
下一信息:暂无